Bahay / Balita

Balita

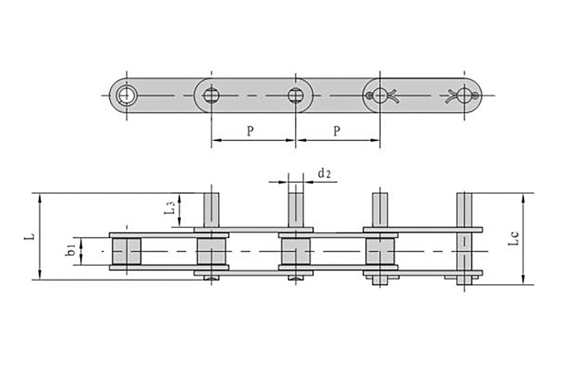
Ipinakilala ng Conveyor Chain Manufacturer ang Structure ng Mechanical Chain

Ipinakilala ng Conveyor Chain Manufacturer ang Structure ng Mechanical Chain

Chain ng Conveyor Ipinakilala ng tagagawa na ang istruktura ng isang mekanikal na kadena ay mga ngipin ng gear, mga uka ng ngipin, mga ...

Ano Ang Mga Paraan ng Pagsuot Ng Industrial Sprocket

Ano Ang Mga Paraan ng Pagsuot Ng Industrial Sprocket

Ano ang mga paraan ng pagsusuot ng Industrial Sprocket ? 1. Abrasive wear: Ito ang panggiling sa ibabaw ng ngipin na dulot ...

4 Karaniwang Paraan ng Lubrication Ng Leaf Chain

4 Karaniwang Paraan ng Lubrication Ng Leaf Chain

Gaano man katagal gamitin ang chain, kailangan nito ng regular na maintenance. Halimbawa, ang paglilinis at pagpapadulas ay mga paraan upang map...

Paano Gamitin ang Industrial Chain nang Makatwiran At Tama

Paano Gamitin ang Industrial Chain nang Makatwiran At Tama

Industrial Chain ay isang napaka-karaniwang chain, ito ay pangunahing ginagamit sa isang pang-industriya na kapaligiran, kaya kung ano ang...

Paano Linisin at Ayusin ang Silent Chain nang Tama

Paano Linisin at Ayusin ang Silent Chain nang Tama

Ang normal na operasyon ng Tahimik na Chain umaasa sa karaniwang pagpapanatili at proteksyon ng kadena. Para sa chain na kailangang l...

Mga Pag-iingat sa Pag-install Ng Motorcycle Chain

Mga Pag-iingat sa Pag-install Ng Motorcycle Chain

Kadena ng Motorsiklo ay isang mahalagang bahagi ng mga motorsiklo. Ang tungkulin nito ay ang magmaneho ng mga motorsiklo at magpatakbo ...

Ano Ang Mga Industriya ng Application Ng Roller Chain

Ano Ang Mga Industriya ng Application Ng Roller Chain

Dahil sa mga tiyak na tungkulin nito, ang Roller Chain ay may ibang paraan ng pagpupulong mula sa iba pang mga chain, na lumilikha ng...

Ano ang Papel Ng Drive Chain

Ano ang Papel Ng Drive Chain

Sa pang-araw-araw na buhay, madalas nating makikita ang lahat ng uri ng Drive Chain . Sa madaling salita, ang isang kadena ay isang s...

3 Paraan Para Husgahan Ang Kalidad Ng Roller Chain

3 Paraan Para Husgahan Ang Kalidad Ng Roller Chain

3 paraan upang hatulan ang kalidad ng Roller Chain : 1. Ang kalidad ng kadena ay maaaring makilala mula sa hitsura Ito a...

Diskarte sa Paglilinis ng Chain ng Drive

Diskarte sa Paglilinis ng Chain ng Drive

Drive Chain diskarte sa paglilinis: 1. Mainit na tubig na may sabon, hand sanitizer, gumamit ng itinapon na toothbrush, o medyo...

Mga Pag-iingat Para sa Paggamit ng Agricultural Chain

Mga Pag-iingat Para sa Paggamit ng Agricultural Chain

Mga pag-iingat para sa paggamit ng Kadena ng Agrikultura : 1. Mahusay na pagiging maaasahan at pagpapanatili. Ang chain ay da...

Kaalaman sa Pagpapanatili Ng Transmission Chain

Kaalaman sa Pagpapanatili Ng Transmission Chain

Ang Kadena ng Transmisyon ay isang napaka-kritikal na istraktura ng paghahatid sa mekanikal na kagamitan, na nakakaapekto sa pagganap...