Bahay / Balita

Balita

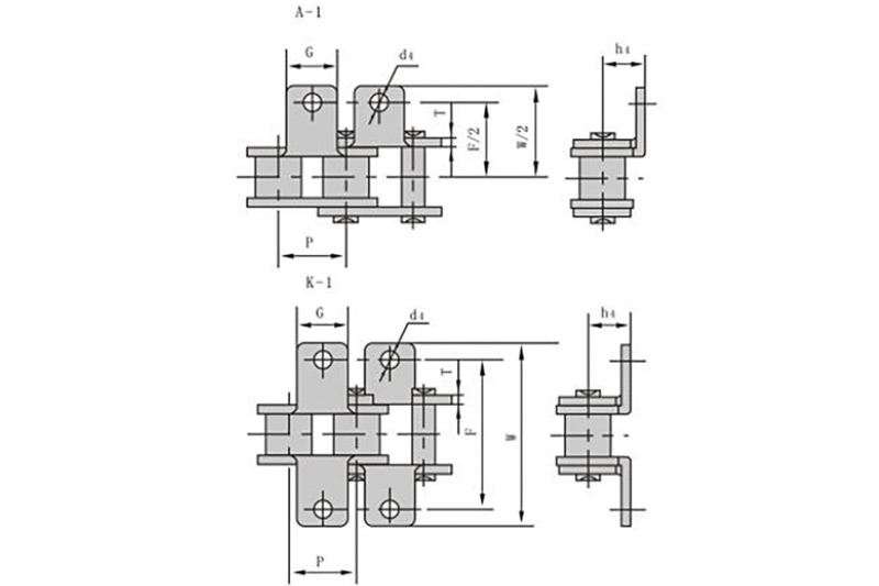
Mga Kasanayan sa Pagbili ng Leaf Chain

Mga Kasanayan sa Pagbili ng Leaf Chain

Kadena ng Dahon ay may maraming mga pag-andar, kaya ano ang dapat mong bigyang pansin kapag bumili ng isang chain? 1. Inspeks...

Proseso ng Pagpapanatili ng Industrial Chain

Proseso ng Pagpapanatili ng Industrial Chain

Ang dalas ng paglilinis ng Industrial Chain ay maaaring linisin sa oras bawat ilang buwan, sa tuwing ang kadena ay madikit sa tubig-d...

Silent Chain Type Spot Treatment Method

Silent Chain Type Spot Treatment Method

Tahimik na Chain Ang istraktura ng materyal na bakal, ang istraktura ng kadena ng bakal, gayunpaman, ang kapaligiran ng tubig at halumi...

Karaniwang Panuntunan sa Paggamit na Parang Kadena ng Motorsiklo

Karaniwang Panuntunan sa Paggamit na Parang Kadena ng Motorsiklo

Sa ilalim ng paborableng mga kondisyon, ganap na matipid, ganap na makatuwiran, lahat sa a Kadena ng Motorsiklo panahon ng paggamit, ...

Mga Pag-iingat Para sa Pagpapanatili ng Roller Chain

Mga Pag-iingat Para sa Pagpapanatili ng Roller Chain

Paano maayos na mapanatili ang Roller Chain ? Una sa lahat, huwag direktang isawsaw ang chain sa malakas na acid at alkaline cleaners...

Mga Tip sa Pagpapanatili ng Chain ng Drive

Mga Tip sa Pagpapanatili ng Chain ng Drive

Drive Chain ay napaka-pangkaraniwan sa pang-industriyang proseso ng produksyon ngayon, kaya paano maayos na mapanatili ang Drive Chain?...

Mga Karaniwang Detalye ng Conveyor Chain

Mga Karaniwang Detalye ng Conveyor Chain

Kadena ng Conveyor ay nahahati sa A series at B series. Ang serye ng A ay alinsunod sa mga detalye ng laki ng pamantayan ng kadena ng US: Ang...

Ipinakilala ng Industrial Sprocket Manufacturer ang Mga Kinakailangan sa Pagpili Para sa E-Chains

Ipinakilala ng Industrial Sprocket Manufacturer ang Mga Kinakailangan sa Pagpili Para sa E-Chains

Industrial Sprocket ipinaalala ng mga tagagawa na ang dami, uri at diameter ng mga cable at air pipe, ang mga hydraulic pipe ay tumutukoy sa ...

Ipinapakilala ng Supplier ng Leaf Chain ang Pagkakaiba sa pagitan ng Stainless Steel Chain At Carbon Steel Chain

Ipinapakilala ng Supplier ng Leaf Chain ang Pagkakaiba sa pagitan ng Stainless Steel Chain At Carbon Steel Chain

Ano ang pagkakaiba sa pagitan ng stainless steel chain at carbon steel chain? Bilang tugon sa problemang ito, sa ibaba, Kadena ng Dahon ...

Ano ang Mga Pangunahing Gamit ng Industrial Chain?

Ano ang Mga Pangunahing Gamit ng Industrial Chain?

Sa panahon ngayon, ang dalas at mga lugar kung saan Industrial Chain ay ginagamit sa industriya ng pagmamanupaktura ng industriya ay ...

Mga Pag-iingat Para sa Pagdidisenyo At Paggawa ng Silent Chain

Mga Pag-iingat Para sa Pagdidisenyo At Paggawa ng Silent Chain

Magkakaroon ng ilang mga problema sa proseso ng produksyon ng Tahimik na Chain . Kung ito ay isang malaking problema, ang pagkawala a...

Ang Motorcycle Chain ay May Sariling Natatanging Modelo

Ang Motorcycle Chain ay May Sariling Natatanging Modelo

Tulad ng langis ng makina, Kadena ng Motorsiklo mayroon ding sariling modelo. Ayon sa iba't ibang mga kinakailangan ng sasakyan,...